设为首页
收藏本站
开启辅助访问
欢迎您,请
登录
或
注册
搜索
搜索
热门搜索:
迈瑞
磁共振
东软
空气消毒机
飞利浦c型臂
胎儿
飞利浦
柯达dr维修
50ma
床
高频电刀
华玺输液泵
冷光源
加速器
招标预算
西门子
飞利浦C型臂
胎心
东芝彩超
飞利浦M3046
迈瑞生化
快捷导航
文库
文章
帖子
所有分类
医用配件
监护仪/心电图机
呼吸机/麻醉机
检验设备
监护仪/心电图机
监护仪
心电图机
除颤仪
血氧仪
胎监仪
电子血压计
脑电图机
其它
呼吸机/麻醉机
呼吸机
麻醉机
其它
检验设备
血细胞分仪板
生化分析仪
电解质分析仪
血气分析仪
凝血分析仪
血流变分析仪
尿液分析仪
免疫分析仪
其它
影像设备
CT
DSA
普放设备
MRI
加速器
附属设备
超声
其它
手术器械/内镜
软镜
硬镜
冷光源
电刀
手术器械
其它
血透机/水处理
血透机
水处理
耗材
医用灯泡
监护仪耗材
呼吸机耗材
医用灯泡
无影灯灯泡
生化仪灯泡
监护仪耗材
导联线
氧饱和度探头
胎心监护探头
血压袖带
其它
呼吸机耗材
螺纹管
氧电池
积水杯
通气面罩
呼吸气囊
细菌过滤器
其它
医用电池
心电图机电池
除颤/监护电池
血压计电池
注射泵电池
其它电池
维修服务
电源维修
手术器械维修
影像设备维修
电源维修
彩超电源
呼吸机电源
其它电源
手术器械维修
高频电刀
普通器械
影像设备维修
CT
MRI
普放
超彩
麻醉呼吸机维修
麻醉机维修
呼吸机维修
监护/心电维修
监护仪维修
心电图机维修
胎心监护维修
除颤仪维修
电子血压计维修
内镜维修
摄像机
软镜
硬镜
气腹机
其它
其它
血透机维修
其它
通用配件
电子元器件
显卡
显示屏
电子元器件
二极管
三极管
场效应管
电容
电阻
IC芯片
其它
显卡
PCI-E 接口
AGP接口
图形工作站卡
PCI接口
其它
显示屏
工控显示屏
其它
存储设备
CF卡
TF卡
SD卡
硬盘
其它
五金配件
螺丝
螺幅
其它
机电产品
其它
其它
工具/资料
图书
维修资料
维修工具
图书
维修用书
考试用书
管理用书
其它
维修资料
影像设备
检验设备
监护除颤
呼吸麻醉
其它
维修工具
普通工具
备份工具
检测设备/模拟器
其它
其它
模拟器
检测设备
其它
医械展台
检验设备
影像超声
监护除颤
检验设备
影像超声
监护除颤
医用光学
腹腔镜
实验仪器
康复理疗
消毒灭菌
其它
首页
资讯
技术
市场
数字
综合
维修
基础
经验
案例
公司
管理
制度
计量
质控
法规
职场
考试
培训
招聘
感悟
文库
论坛
发现
签到
黄页
名片
医工商城
APP下载
本版
用户
医学工程在线
»
论坛
›
技术讨论一区(综合)
›
检验分析
›
BS420全自动生化分析仪电源板维修
论坛积分体系说明
|
用户须知
本论坛版主工作制度(讨论稿)
第三方维修公司汇总,欢迎补充
技术精湛的工程师加入
|
新人必读帖
2012年版主招募中,欢迎加入
等待验证会员请讲
|
医工币充值说明
论坛广告位列表及报价
我来说说“医学工程在线”的定位
论坛获取金币的方法总结
大文件上传方法图解说明
医学工程在线论坛评分细则
空位待租,可链接到指定网址
1
2
3
/ 3 页
下一页
返回列表
查看:
6527
|
回复:
16
BS420全自动生化分析仪电源板维修
[复制链接]
dawangxuewen
dawangxuewen
当前离线
积分
3921
IP卡
狗仔卡
发表于 2010-4-9 14:48:16
|
显示全部楼层
|
阅读模式
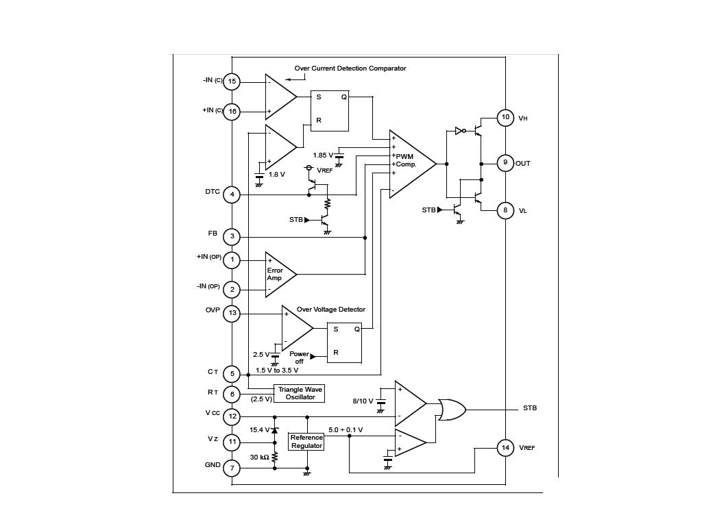
我们的一台BS420全自动生化分析仪出现不能初始化,机械部分无法启动。分析,不能初始化,机械部分无法启动,多处故障同时出现可能出现的原因很有可能是公共部分,而公共部分出现故障最大机率应该是电源部分,打开左侧板,可以看到4只电源指示发光二极管,其中B24V电源指示灯不亮。检测B24V电源无输出。因为B24V电源板受A12V与C12V控制,开始维修没有考虑上述因素而走了不少弯路。拆下电源盒,拆出B24V电源板,模拟A12V与C12V电源。没有输出,补焊保护电路有输出,装机,故障修复,但工作了几天后,故障又不定期出现。因为有了原来的经验,直接查看电源指示灯,故障出现时,B24V电源指示灯灭,拆出B24V电源板,维修没有进展,因为是不定期出现,维修比较困难,为了便于分析,根据实物描绘出部分相关电路原理图,从电路原理图可知,如果温度保护探头出现接触不良或者损坏的可能性比较大。轻轻敲击温度保护探头,故障出现,短路温度保护探头,故障不再出现。
评分
1
查看全部评分
yydyxt
回复
使用道具
举报
提升卡
置顶卡
沉默卡
喧嚣卡
变色卡
显身卡
维修工
维修工
当前离线
积分
51
IP卡
狗仔卡
发表于 2010-4-14 09:55:53
|
显示全部楼层
学习了 好厉害啊 我怎么老学不会维修板件
回复
支持
反对
使用道具
举报
显身卡
dawangxuewen
dawangxuewen
当前离线
积分
3921
IP卡
狗仔卡
楼主
|
发表于 2010-4-15 08:23:17
|
显示全部楼层
板块维修是厂商工程师常用的方法,这对厂商来说是一举两得的,首先,速度快!只要有备用板块,换上就OK;其次,经济利益得到保障,板块比元器件要贵的多!也就是换一块板比换几个元器件的经济收益要好几千倍!所以,厂商工程师很少进行元器件级维修的,大多数只进行板块级维修。所以,通常,厂商的售后工程师是没有元器件级维修经验的,元器件维修只有厂商的维修主管或者研发人员。当然,设备的使用部门由于经济的原因,部分有一定经验的电子爱好者也进行业余元器件级维修,元器件级维修只能在有限的范围进行,通常在大功率元器件和部分通用型器件方面考虑,对于计量部件的维修一定要慎重!维修的原则是确保不扩大故障!
回复
支持
反对
使用道具
举报
显身卡
mirbmeol
mirbmeol
当前离线
积分
30
IP卡
狗仔卡
发表于 2010-5-1 13:15:22
|
显示全部楼层
板子维修多分享些 共同降低医疗成本 造福人民
回复
支持
反对
使用道具
举报
显身卡
dawangxuewen
dawangxuewen
当前离线
积分
3921
IP卡
狗仔卡
楼主
|
发表于 2010-5-1 17:16:50
|
显示全部楼层
该电路的两块精密可调集成稳压电路(U3,U2)容易出现故障,可以测试R70判断U3是否漏电,正常R70在10K左右,故障时降为6K左右。
回复
支持
反对
使用道具
举报
显身卡
dawangxuewen
dawangxuewen
当前离线
积分
3921
IP卡
狗仔卡
楼主
|
发表于 2010-5-5 12:41:20
|
显示全部楼层
本人准备把BS420的24V电源板电路原理图根据实物描绘出来,以方便同行维修类似故障
回复
支持
反对
使用道具
举报
显身卡
foshanxing
foshanxing
当前离线
积分
1367
IP卡
狗仔卡
发表于 2010-6-21 17:42:17
|
显示全部楼层
我靠!!!!版主你太牛了,崇拜中,我们的也坏了,正在维修中,不过感觉希望不大。
回复
支持
反对
使用道具
举报
显身卡
dawangxuewen
dawangxuewen
当前离线
积分
3921
IP卡
狗仔卡
楼主
|
发表于 2010-6-22 17:54:59
|
显示全部楼层
本帖最后由 dawangxuewen 于 2010-6-23 11:25 编辑
你把两只TL431全部换掉(在电路板上的标示是U2,U3),看看能否解决,另外,看看与J22相连的温度探头是否开路,可以采取短路J22的方法证实。
回复
支持
反对
使用道具
举报
显身卡
dawangxuewen
dawangxuewen
当前离线
积分
3921
IP卡
狗仔卡
楼主
|
发表于 2010-6-22 18:02:44
|
显示全部楼层
维修时,首先找到交流输入端(两只保险丝分别是交流输入端的两个输入端子)(注意!千万别搞错!),然后短路U17的次级输出端(也可以在U17的初级加5ma左右的电流)。这样就可以把24V电源板单独加电维修了。为了安全,加交流时先串联一只100W的白炽灯。
回复
支持
反对
使用道具
举报
显身卡
dawangxuewen
dawangxuewen
当前离线
积分
3921
IP卡
狗仔卡
楼主
|
发表于 2010-6-22 18:04:34
|
显示全部楼层
回复
7#
foshanxing
如果实在搞不定,可以邮寄到我这里或者拿来一起维修
回复
支持
反对
使用道具
举报
显身卡
下一页 »
1
2
3
/ 3 页
下一页
返回列表
发表回复
高级模式
B
Color
Image
Link
Quote
Code
Smilies
您需要登录后才可以回帖
登录
|
注册
本版积分规则
发表回复
回帖后跳转到最后一页
浏览过的版块
其它设备
资料共享
水处理设备
每日签到
普放设备
帮助中心
用户须知
论坛相关
积分相关
其他相关问题
积分相关
我的积分
积分充值
积分兑换
我的积分记录
网站积分规则
医工发现
维修电话
每日签到
个人设置
修改头像
修改个人资料
空间设置
修改密码
QQ绑定
关于我们
网站简介
联系我们
网站地图
免责声明
扫码打开小程序
扫码安装APP
快速回复
返回顶部
返回列表